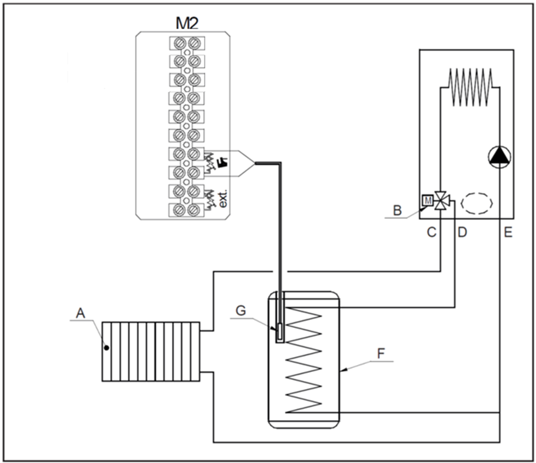
18. ПОДКЛЮЧЕНИЕ БОЙЛЕРА (ТОЛЬКО ДЛЯ ОДНОКОНТУРНОГО КОТЛА)
Датчик температуры (NTC) бойлера ГВС входит в комплект поставки котла.
Подключение бойлера
К данному котлу может быть подключен внешний бойлер косвенного нагрева. Схема подключения приведена в Приложении F. Подключите провода от датчика температуры бойлера к клемме на колодке M2. Датчик температуры бойлера должен быть вставлен в гильзу бойлера косвенного нагрева.

Для регулирования температуры в бойлере (от 35°С до 60°С) нажимайте клавиши «плюс» или «минус» с обозначением крана
.
Важная информация: установите параметр F03 равным 003, как описано в главе “Настройка параметров”.
Функция антилегионелла по умолчанию не активна. Если Вы желаете активировать данную функцию, задайте для параметра F16 значение от 055 до 067 (уставка 55-67°С) согласно разделу «Настройка параметров».